As excavators get older they may need new final drives, UK Construction Parts Ltd can offer all popular #finaldrives for JCB Kubota Hitachi Yanmar etc.
Below are some basic instructions that you should follow when fitting a new drive motor to your mini digger
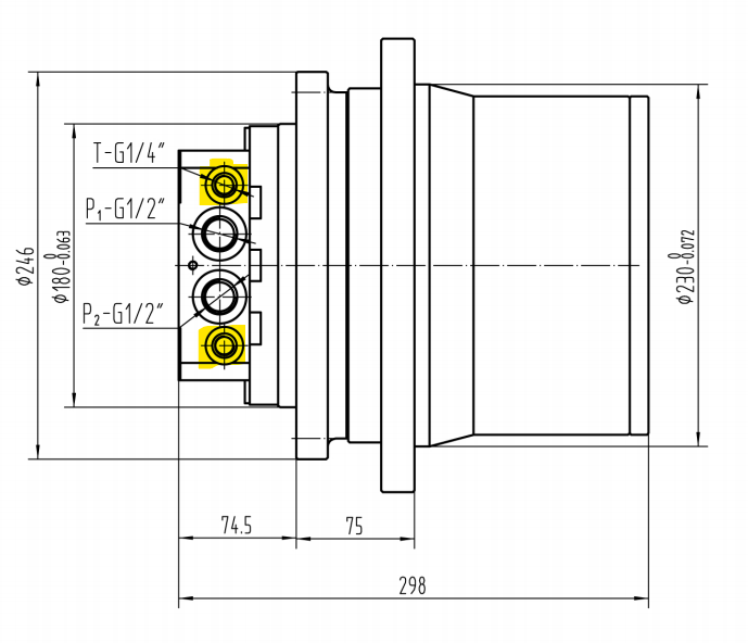
The Drain port They need to use only the upper drain port when the drive is in place on the machine so either of these marked ( lower would damage the drive)

the 2-speed port is around the side of the motor on this particular aftermarket drive, see below. It is a ¼” BSP port, your customer will have to get a short length of hose made up if his existing hose is too short to reach. The main P1 & P2 ports are ½” BSP and the 2 drain ports are ¼” BSP.
If you need any further info please contact our office on 01787 320313
P1 /P2 are for the forward and reverse hoses
Don’t forget to fill the drive with gear oil once fitted

Hope this helps keep you running smoothly
